TIMING BELT
EM-9parts diagramCAUTION
CAUTION:
a. Do not bend or twist timing belt.
b. After removing timing belt, do not turn crankshaft and camshaft separately because valves will strike piston heads.
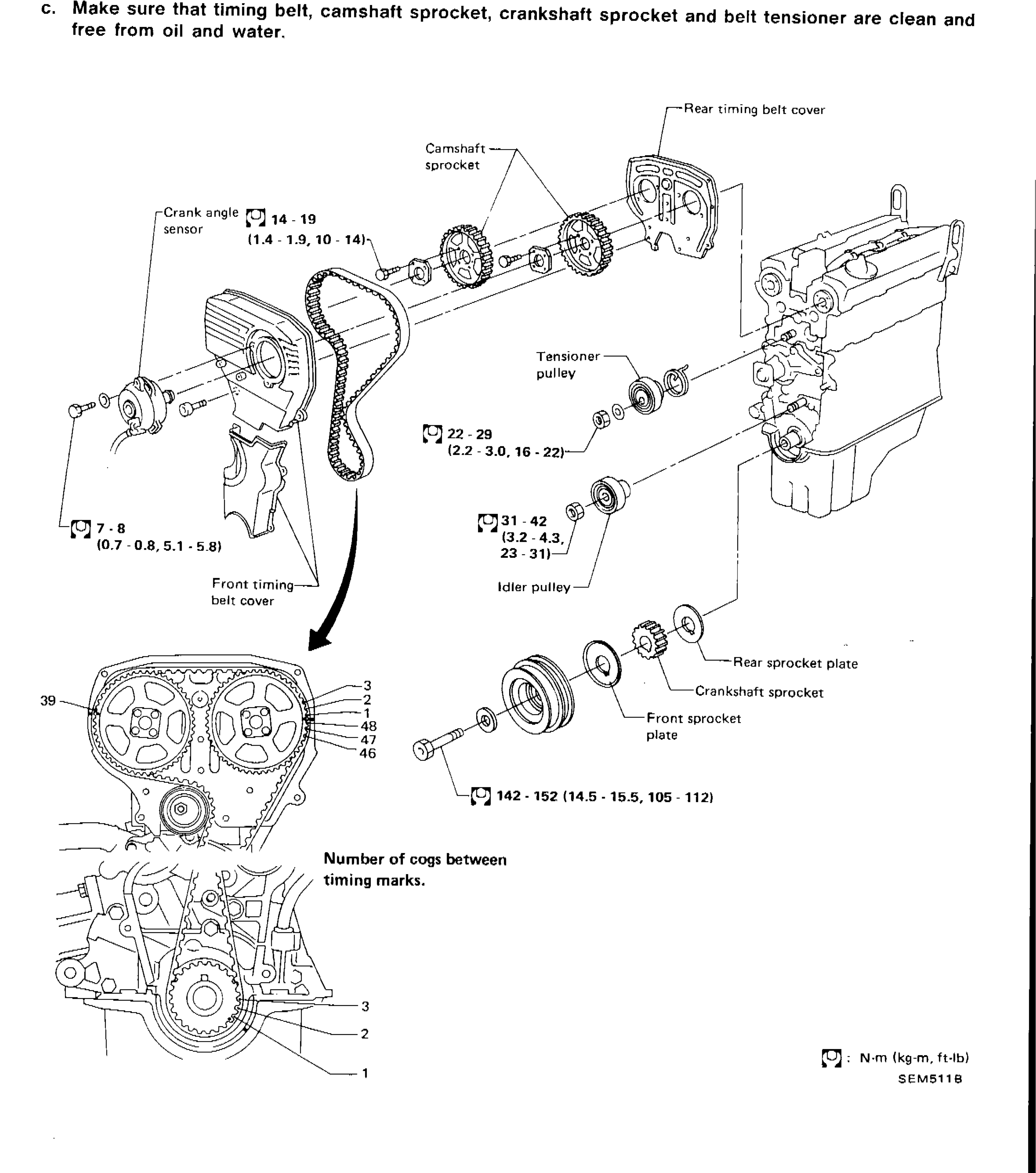
c. Make sure that timing belt, camshaft sprocket, crankshaft sprocket and belt tensioner are clean and free from oil and water.
Parts DiagramFig. fig1

| # | Part Name | Notes / Torque |
|---|---|---|
| 1 | Crank angle sensor | Torque: 14 - 19 N·m (1.4 - 1.9 kg-m, 10 - 14 ft-lb) |
| 2 | Camshaft sprocket | — |
| 3 | Rear timing belt cover | — |
| 4 | Tensioner pulley | Torque: 22 - 29 N·m (2.2 - 3.0 kg-m, 16 - 22 ft-lb) |
| 5 | Idler pulley | Torque: 31 - 42 N·m (3.2 - 4.3 kg-m, 23 - 31 ft-lb) |
| 6 | Front timing belt cover | Torque: 7 - 8 N·m (0.7 - 0.8 kg-m, 5.1 - 5.8 ft-lb) |
| 7 | Rear sprocket plate | — |
| 8 | Crankshaft sprocket | — |
| 9 | Front sprocket plate | — |
| 10 | Crankshaft pulley bolt | Torque: 142 - 152 N·m (14.5 - 15.5 kg-m, 105 - 112 ft-lb) |
| Specification | Value |
|---|---|
| Crank angle sensor bolt torque | 14 - 19N·m |
| Crank angle sensor bolt torque | 1.4 - 1.9kg-m |
| Crank angle sensor bolt torque | 10 - 14ft-lb |
| Front timing belt cover bolt torque | 7 - 8N·m |
| Front timing belt cover bolt torque | 0.7 - 0.8kg-m |
| Front timing belt cover bolt torque | 5.1 - 5.8ft-lb |
| Tensioner pulley bolt torque | 22 - 29N·m |
| Tensioner pulley bolt torque | 2.2 - 3.0kg-m |
| Tensioner pulley bolt torque | 16 - 22ft-lb |
| Idler pulley bolt torque | 31 - 42N·m |
| Idler pulley bolt torque | 3.2 - 4.3kg-m |
| Idler pulley bolt torque | 23 - 31ft-lb |
| Crankshaft pulley bolt torque | 142 - 152N·m |
| Crankshaft pulley bolt torque | 14.5 - 15.5kg-m |
| Crankshaft pulley bolt torque | 105 - 112ft-lb |
Crank angle sensor bolt torque
14 - 19N·m
Crank angle sensor bolt torque
1.4 - 1.9kg-m
Crank angle sensor bolt torque
10 - 14ft-lb
Front timing belt cover bolt torque
7 - 8N·m
Front timing belt cover bolt torque
0.7 - 0.8kg-m
Front timing belt cover bolt torque
5.1 - 5.8ft-lb
Tensioner pulley bolt torque
22 - 29N·m
Tensioner pulley bolt torque
2.2 - 3.0kg-m
Tensioner pulley bolt torque
16 - 22ft-lb
Idler pulley bolt torque
31 - 42N·m
Idler pulley bolt torque
3.2 - 4.3kg-m
Idler pulley bolt torque
23 - 31ft-lb
Crankshaft pulley bolt torque
142 - 152N·m
Crankshaft pulley bolt torque
14.5 - 15.5kg-m
Crankshaft pulley bolt torque
105 - 112ft-lb
NOTE
Number of cogs between timing marks.
Marked cog positions on belt: 39, 3, 2, 1, 48, 47, 46 (upper diagram); 3, 2, 1 (lower diagram).
